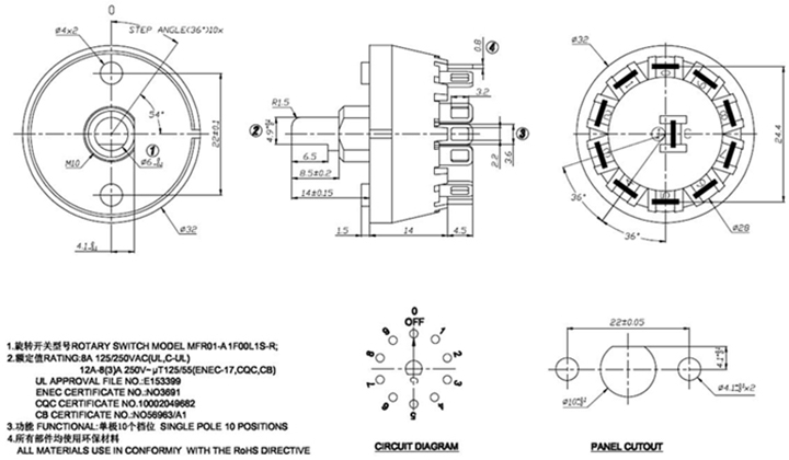
額定(dìng):8A 125/250VAC(CUL)
12A~8(3)A 250V~μT125/55(ENEC17,CB,CQC)
接觸電(diàn)阻:小於0.05Ω
絕緣電阻:大於100MΩ
操作力量:300至900gf
耐電壓:1KVAC每(měi)分(fèn)鍾
專業從事各類型電源開關的設計/研發/製造生產
首頁 關於六鈞 產品展示 設備展示 應用案例 榮譽資質 新聞資訊 在線留言 聯係我們
地址:廣東省東莞市石碣鎮石碣科技東路198號
聯係人:18100233994 /勞先生
電話:0769-86633010
傳(chuán)真:0769-86321157
郵箱:sale58@legion.com.hk
版權(quán)所有 Copyright 2022 東莞市六鈞電子五金(jīn)有限公司 All rights reserved 粵ICP備2022117152號