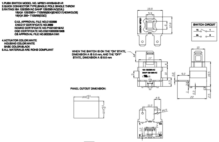
.jpg)
額定:
16A 125/250VAC, 3/4HP 125/250VAC(CUL)
16(4)A 250V~T125/55(ENEC17, NEMKO,CB CQC)
10(6)A 250V~T125/55(5E4)(ENEC17, NEMKO, CB, CQC)
Electrical(電氣性能)
(接觸電阻)Initial Contact Resistance: 50mΩ Max
(操作(zuò)力量)Operation Force:300±200gf
(絕緣電(diàn)阻)Insulation Resistance:100MΩ Min 500VDC
(耐電壓)Withstand Voltage: 1500 VAC for 1 minute
(電氣壽命)Endurance:10,000 cycles
Material(材質)
(外(wài)殼)Housing: nylon66 UL94V-0
(柄)Actuator:PBT+15%GF,UL 94V-0
(彈簧)Spring:Stainless Steel Wire
(接觸片)Contact Hole Plate:Brass Jis C2680-1/2H,PICKLING(酸洗)
(端子)Terminal:Brass Jis C2680-1/2H,PICKLING(酸洗)
(接點)Silver Contact:Silver Alloy
(基(jī)座)Base:PBT+15%GF,UL94V-0
(軸針)Latch Pin:301#Stainless Steel, Nickel Plated